○滋賀県自動車税収納計器の取扱い等に関する規則
昭和47年12月22日
滋賀県規則第91号
〔滋賀県自動車税および自動車取得税証紙の売りさばきならびに収納計器の取扱い等に関する規則〕をここに公布する。
滋賀県自動車税収納計器の取扱い等に関する規則
(令元規則9・令7規則26・改称)
(趣旨)
第1条 この規則は、滋賀県税条例(昭和25年滋賀県条例第55号)第70条第1項および第73条の10第4項に規定する自動車税の環境性能割額および種別割額に相当する金額を表示した印影(以下「証紙代金収納印」という。)の押印をする収納計器の取扱い等について必要な事項を定めるものとする。
(一部改正〔平成22年規則2号・令和元年9号・7年26号〕)
(収納計器取扱人の指定等)
第2条 知事が指定する収納計器取扱人(以下「収納計器取扱人」という。)は、自動車税の環境性能割額および種別割額に相当する金額の支払いを受けて収納計器で証紙代金収納印を押印するものとする。
2 前項の収納計器取扱人の指定を受けようとする者は、自動車税(環境性能割・種別割)収納計器取扱人指定申請書(別記様式第1号)を知事に提出しなければならない。
3 知事は、収納計器取扱人の指定をしたときは、その者の氏名(法人にあつては、その名称)、住所(法人にあつては、その主たる事務所の所在地)および証紙代金収納印押印所を告示する。
(一部改正〔平成14年規則4号・令和元年9号・7年26号〕)
(収納計器取扱人の指定の取消等)
第3条 収納計器取扱人が証紙代金収納印の押印を廃止しようとするときは、廃止しようとする日の30日前までに知事に届け出なければならない。
2 知事は、収納計器取扱人が法令およびこの規則に違反したとき、または収納計器取扱人を存続する必要がないと認めたときは、当該指定を取り消すことがある。
(一部改正〔令和7年規則26号〕)
(証紙代金収納印押印所の所在地の変更)
第4条 収納計器取扱人が、証紙代金収納印押印所の所在地を変更しようとするときは、あらかじめ知事の承認を受けなければならない。
(一部改正〔令和7年規則26号〕)
(収納計器の貸付け)
第5条 収納計器は、収納計器取扱人に対し県が無償で貸し付けるものとする。
2 収納計器の設置および管理に要する費用は、当該収納計器の貸付けを受けた収納計器取扱人の負担とする。
(一部改正〔令和7年規則26号〕)
2 収納計器取扱人は、始動票札を常備し、証紙代金収納印の押印に支障のないようにしなければならない。
3 収納計器取扱人は、使用済みの始動票札を使用済みの日の翌日までに知事に返還しなければならない。
(一部改正〔平成11年規則55号・令和元年9号・7年26号〕)
(始動票札の受払簿)
第7条 収納計器取扱人は、始動票札受払簿(別記様式第5号)を備えて、始動票札の受払いの状況を明らかにしなければならない。
(一部改正〔令和7年規則26号〕)
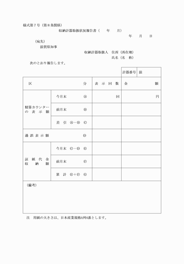
(収納計器取扱状況報告書)
第8条 収納計器取扱人は、毎月末日現在において収納計器取扱状況報告書(別記様式第7号)を作成し、翌月5日までに知事に提出しなければならない。
(一部改正〔令和7年規則26号〕)
(収納計器による超過表示の禁止)
第9条 収納計器取扱人は、始動票札に入力された額を超えて収納計器を使用してはならない。
(一部改正〔令和7年規則26号〕)
(一部改正〔令和7年規則26号〕)
(証紙代金収納印の無効)
第11条 著しく汚染し、または毀損した証紙代金収納印は、無効とする。
(一部改正〔令和7年規則26号〕)
5億円以下の部分 | 1000分の10 |
5億円を超え10億円以下の部分 | 1000分の5 |
10億円を超え20億円以下の部分 | 1000分の4 |
20億円を超える部分 | 1000分の0.1 |
2 前項の手数料は、収納計器取扱人が始動票札を購入するときに支払うものとする。
(一部改正〔昭和49年規則41号・平成元年39号・9年8号・11年55号・14年4号・22年2号・26年10号・31年12号・令和元年9号・7年26号〕)
(始動票札の過誤表示金額の還付)
第13条 知事は、収納計器取扱人が証紙代金収納印の過誤表示をした場合には、過誤表示した額に相当する金額から当該金額に相当する収納計器取扱手数料の金額を差し引いた金額を還付するものとする。
(一部改正〔令和7年規則26号〕)
(始動票札の返還)
第14条 始動票札は、これを返還して現金の還付を受け、または他の始動票札との交換を請求することができない。ただし、収納計器取扱人が指定を取り消されたとき、収納計器による徴収の方法を廃止したときその他知事が必要と認めるときは、この限りでない。
(1) 収納計器取扱人が当該始動票札を購入した年度において交付された収納計器取扱手数料の合計額
(2) 収納計器取扱人が、当該始動票札を購入した年度において使用した始動票札に入力された額(未使用残高がある始動票札にあつては、入力された額から当該未使用残高に相当する額を差し引いた額)に相当する額に対して第12条第1項の規定を適用したとしたならば交付されることとなる収納計器取扱手数料の金額
(一部改正〔平成14年規則4号・令和7年26号〕)
(収納計器の取扱いに関する質問、検査等)
第15条 知事は、収納計器の取扱い状況に関する調査のため必要があると認めるときは、徴税吏員をして証紙代金収納印押印所に立ち入り、関係者に質問させ、または収納計器、金銭、諸帳簿類その他必要な物件を調査させることができる。この場合において、当該徴税吏員は、その身分を証明する証票を携帯し、関係者の請求があつたときは、これを提示しなければならない。
(一部改正〔令和7年規則26号〕)
(補則)
第16条 この規則に定めるもののほか、収納計器および始動票札の取扱いについて必要な事項は、知事が定める。
(一部改正〔令和7年規則26号〕)
付則
(施行期日)
1 この規則は、公布の日から施行する。
(一部改正〔令和元年規則9号〕)
(関係規則)
2 滋賀県自動車税および自動車取得税証紙の売りさばき等に関する規則(昭和40年滋賀県規則第55号。以下「旧規則」という。)は、廃止する。
(一部改正〔令和元年規則9号〕)
(経過措置)
3 この規則の施行の際現に旧規則第4条第1項の規定に基づき滋賀県自動車税および自動車取得税証紙の売りさばき人に指定されている者は、別に当該売りさばき人の指定が取り消されない限り、この規則に基づき証紙売りさばき人に指定されたものとみなす。
(一部改正〔令和元年規則9号〕)
4 第12条の証紙売りさばきおよび収納計器取扱手数料の計算にあたつては、昭和47年度に限り、証紙の額面金額および始動票札の金額の累計額に旧規則第6条第1項の証紙の額面金額の累計額を加えるものとする。
(様式の特例)
5 当分の間、この規則に規定する申請書その他の書類の様式については、この規則の規定にかかわらず、知事が別に定める。
(追加〔令和元年規則9号〕)
付則(昭和49年規則第41号)
この規則は、公布の日から施行し、昭和49年度分の証紙売りさばきおよび収納計器取扱手数料から適用する。
付則(昭和58年規則第23号)
1 この規則は、公布の日から施行する。
2 この規則による改正前の滋賀県自動車税および自動車取得税証紙の売りさばきならびに収納計器の取扱い等に関する規則に定める様式による用紙は、当分の間、所要の調整を加えて使用することができる。
付則(平成元年規則第39号)
1 この規則は、公布の日から施行する。
2 この規則の施行前に証紙売りさばきおよび収納計器取扱人がした滋賀県自動車税および自動車取得税証紙の証紙代金収納印の過誤表示に係る還付金の還付については、なお従前の例による。
3 第1条の規定による改正前の滋賀県自動車税および自動車取得税証紙の売りさばきならびに収納計器の取扱い等に関する規則に定める様式による用紙および第2条の規定による改正前の滋賀県狩猟者登録税入猟税納税証紙の売りさばき等に関する規則に定める様式による用紙は、当分の間、所要の調整を加えて使用することができる。
付則(平成7年規則第24号)
1 この規則は、平成7年4月1日から施行する。
2 この規則の施行の際現にある改正前の滋賀県税規則等に規定する様式による用紙は、当分の間、所要の調整を加えて使用することができる。
付則(平成9年規則第8号)
この規則は、平成9年4月1日から施行する。
付則(平成11年規則第55号)
1 この規則は、平成11年6月10日から施行する。
2 この規則の施行の日前に第2条の規定による改正前の滋賀県自動車税および自動車取得税証紙の売りさばきならびに収納計器の取扱い等に関する規則(以下「旧規則」という。)第6条第1項の規定により交付された始動票札に係る受払いの状況は、第2条の規定による改正後の滋賀県自動車税および自動車取得税証紙の売りさばきならびに収納計器の取扱い等に関する規則の規定にかかわらず、旧規則別記様式第5号に定める様式による始動票札受払簿に記載するものとする。
付則(平成14年規則第4号)
1 この規則は、公布の日から施行する。ただし、第12条第1項の改正規定は、平成14年4月1日から施行する。
2 この規則の施行の際現にある改正前の滋賀県自動車税および自動車取得税証紙の売りさばきならびに収納計器の取扱い等に関する規則に定める様式による用紙は、当分の間、所要の調整を加えて使用することができる。
3 平成14年4月1日において証紙売りさばき人が保有する証紙または未使用残高がある始動票札(平成13年度に購入した証紙または始動票札に限る。)に係る改正後の第14条第3項の規定の適用については、同項第2号中「第12条第1項」とあるのは、「滋賀県自動車税および自動車取得税証紙の売りさばきならびに収納計器の取扱い等に関する規則の一部を改正する規則(平成14年滋賀県規則第4号)による改正前の第12条第1項」とする。
付則(平成22年規則第2号)
1 この規則は、公布の日から施行する。ただし、第12条第1項の改正規定は、平成22年4月1日から施行する。
2 平成22年4月1日において証紙売りさばき人が保有する証紙または未使用残高がある始動票札(平成21年度に購入した証紙または始動票札に限る。)に係る改正後の第14条第3項の規定の適用については、同項第2号中「第12条第1項」とあるのは、「滋賀県自動車税および自動車取得税証紙の売りさばきならびに収納計器の取扱い等に関する規則の一部を改正する規則(平成22年滋賀県規則第2号)による改正前の第12条第1項」とする。
付則(平成26年規則第10号)
この規則は、平成26年4月1日から施行する。
付則(平成31年規則第12号)
この規則は、平成31年10月1日から施行する。
付則(令和元年規則第4号)
1 この規則は、令和元年7月1日から施行する。
2 この規則の施行の際現にある改正前の関係規則に定める様式による用紙は、当分の間、所要の調整を加えて使用することができる。
付則(令和元年規則第9号)抄
(施行期日)
1 この規則は、令和元年10月1日から施行する。
(滋賀県自動車税および自動車取得税証紙の売りさばきならびに収納計器の取扱い等に関する規則の一部改正に伴う経過措置)
7 この規則の施行の際現にある第2条の規定による改正前の滋賀県自動車税および自動車取得税証紙の売りさばきならびに収納計器の取扱い等に関する規則に定める様式による用紙は、当分の間、所要の調整を加えて使用することができる。
付則(令和3年規則第18号)
1 この規則は、公布の日から施行する。
2 この規則の施行の際現にある改正前の関係規則に定める様式による用紙は、当分の間、所要の調整を加えて使用することができる。
付則(令和7年規則第26号)抄
(施行期日)
1 この規則は、令和7年10月1日から施行する。
(滋賀県自動車税証紙の売りさばき、収納計器の取扱い等に関する規則の一部改正に伴う経過措置)
2 この規則の施行前に第2条の規定による改正前の滋賀県自動車税証紙の売りさばき、収納計器の取扱い等に関する規則(以下「旧自動車税規則」という。)第2条第1項に規定する証紙売りさばき人(以下「証紙売りさばき人」という。)が売りさばいた証紙(消印されたものまたは著しく汚染し、もしくは毀損したものを除く。以下同じ。)を保有する者は、この規則の施行の日(以下「施行日」という。)から令和12年9月30日までの間に限り、これを知事に返還して当該証紙の額面金額に相当する額の還付を受けることができる。
3 この規則の施行の際現に証紙売りさばき人である者は、証紙売りさばき人として保有する証紙を施行日以後遅滞なく知事に返還しなければならない。この場合において、知事は、令和12年9月30日までに当該返還をした者に対し、当該証紙の額面金額に相当する額から当該証紙の売りさばきに対して交付された手数料の額を控除して得た額を還付するものとする。
4 この規則の施行の際現に証紙売りさばき人である者は、第2条の規定による改正後の滋賀県自動車税収納計器の取扱い等に関する規則第2条第1項に規定する収納計器取扱人とする。
5 この規則の施行の際現にある旧自動車税規則に定める様式による用紙は、当分の間、所要の調整を加えて使用することができる。
(一部改正〔平成7年規則24号・14年4号・26年10号・令和元年4号・9号・3年18号・7年26号〕)

様式第2号 削除
(削除〔令和7年規則26号〕)
(全部改正〔令和7年規則26号〕)

(全部改正〔令和7年規則26号〕)

様式第4号 削除
(削除〔令和7年規則26号〕)
(全部改正〔平成11年規則55号〕、一部改正〔平成14年規則4号・令和元年4号・7年26号〕)

様式第6号 削除
(削除〔令和7年規則26号〕)
(一部改正〔平成7年規則24号・14年4号・26年10号・令和元年4号・3年18号・7年26号〕)

(一部改正〔平成14年規則4号・令和7年26号〕)

(一部改正〔平成14年規則4号〕)

(全部改正〔令和7年規則26号〕)

(一部改正〔平成元年規則39号・7年24号・9年8号・14年4号・26年10号・31年12号・令和元年4号・9号・3年18号・7年26号〕)
